Nhà> Sản phẩm> Máy tạo hydro PSA> Nhà máy sản xuất hydro PSA
Nhà máy sản xuất hydro PSA

Nhà máy sản xuất hydro PSA

  • Hình thức thanh toán: L/C,T/T
  • Incoterm: FOB,CFR,CIF,EXW
  • Đặt hàng tối thiểu: 1 Set/Sets
  • Hải cảng: Shanghai China
Nhận giá mới nhất
    PRODUCT ATTRIBUTES
    Overview
    Thuộc tính sản phẩm

    Nguồn GốcJiangsu, Trung Quốc

    Loại HìnhTách cây

    Product TypeMachinery

    Tình TrạngMới

    Brand NameXinrui

    Model NumberXRFQ-29-50

    VoltageCan be customized

    Power0.05kw

    Weight500kg

    Dimension(L*W*H)non-standard products

    Sự Bảo đảm1 năm

    Dịch Vụ Sau Bán Hàng được Cung CấpCác kỹ sư có sẵn cho máy móc dịch vụ ở nước ngoài

    Chứng nhậnCE,ISO9001:2008

    Flow Rate50Nm3/hr

    N2 Purity99%

    Colorsilver, grey, bule (depends on customers' needs)

    Đóng gói và giao hàng
    Đơn vị bán hàng: Set/Sets
    Loại gói hàng: Đóng gói biển
    Ví dụ về Ảnh:
    Overview
    Khả năng cung cấp & Thông tin bổ sung

    Bao bìĐóng gói biển

    Hỗ trợ về15 Set/Sets per Month

    Hải cảngShanghai China

    Hình thức thanh toánL/C,T/T

    IncotermFOB,CFR,CIF,EXW

    Mô tả sản phẩm


    Nhà máy tạo hydro PSA (XRFH)


    Nhà máy tạo hydro PSA này được kết hợp với bánh quy amoniac và tăng cường H2 để có được H2 tinh khiết. Điều đó có nghĩa là, hệ thống tạo H2 có độ tinh khiết cao chủ yếu bao gồm thiết bị phân hủy amoniac cho hệ thống áp lực tạo H2 H2, máy phát điện PSA H2 cộng với bể chứa khí ....

    Dựa trên yêu cầu của dây chuyền sản xuất khí, nguồn H2, lấy amoniac lỏng làm nguyên liệu thô, phân hủy thành khí hỗn hợp khoảng 75% H2 và 25% N2 dưới tác động của chất xúc tác niken. Điều này sẽ cải thiện đáng kể độ tin cậy và tính ngẫu nhiên của hệ thống H2, giúp cho việc duy trì hệ thống, để đảm bảo hoạt động ổn định của dây chuyền sản xuất chính.

    Thông số kỹ thuật chính của nhà máy PSA H2
    Xử lý khí: (10-500) NM3/h
    Áp suất hấp phụ: 0,8MPa-2,4MPa
    Độ tinh khiết H2: 99%-99,99%
    Điểm sương: -60ºC

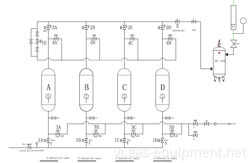
    Nguyên tắc của nhà máy tạo hydro PSA

    Dưới một số áp lực nhất định, tận dụng giường hấp phụ bao gồm nhiều chất hấp thụ như carbon hoạt hóa, silicon dioxide, sàng phân tử và alumina, nhà máy tạo hydro đã chọn lọc các thành phần không tinh khiết trong nguồn khí với hydro bao gồm Tổng hợp hồ bơi amoniac, khí thải xúc tác khí khô trong nhà máy lọc dầu, khí dịch chuyển, khí nước và khí bán nước dưới áp suất, trong khi hydro rất khó để hấp phụ được đưa ra từ lối vào của tháp hấp phụ làm khí sản phẩm. Do đó, tinh chế hydro được thực hiện.


    Biểu đồ dòng chảy

    Nhà máy sản xuất hydro PSA



    Chi tiết giao hàng:
    Chi tiết bao bì: Bao bì xuất khẩu tiêu chuẩn
    Chi tiết giao hàng: Trong vòng 60-90 ngày sau khi nhận được tiền gửi


    The file is encrypted. Please fill in the following information to continue accessing it

    Liên lạc
    If you have any questions our products or services,feel free to reach out to us.Provide unique experiences for everyone involved with a brand. We've got preferential price and best-quality products for you.
    Please fill in the information
    Please fill in your e-mail
    Please fill in the content
    Nhà> Sản phẩm> Máy tạo hydro PSA> Nhà máy sản xuất hydro PSA

    Liên hệ

    • Điện thoại: 86-512-65865622
    • Điện thoại di động: 18501506352
    • Thư điện tử: 18501506352@163.com
    • Địa chỉ: Building 7, Liando U Valley, No. 25 Datong Road, High tech Zone,, Suzhou, Jiangsu China

    Gửi yêu cầu thông tin

    Gửi yêu cầu thông tin
    *
    *

    We will contact you immediately

    Fill in more information so that we can get in touch with you faster

    Privacy statement: Your privacy is very important to Us. Our company promises not to disclose your personal information to any external company with out your explicit permission.

    Gửi